中文En
SB-ZL型电机直联…
SB-ZL(U)型电…
SB-DL型立式多级…
SB-ZLW型混水离…
SB-CJ型柴油机直…
CDLF不锈钢立式多…
TC型压力容器式水除…
ZC型组合式水除污器…
ZT型锥筒除污器
SB-GW型立卧两型…
SB-P型轴开式单级…
SB-S型轴开式单级…
一次网“1+3”循环水泵的水循环系统初探
作者: ‖ 时间:2014-03-19 ‖ 来源: ‖ 点击:3985

 【摘要】   一次网“1+3”循环水泵是由一级泵加不用变频器调控的大、中、小水泵组成的二级泵,按热负荷变化的需求分别工频运行。通过其大、中、小二级泵的三档调节,同时、同步结合热源的调节,可获得与现有变频二级泵同样的效果,且性价比高。

【关键词】  一次网“1+3”循环水泵  三档(或三级)调节  热源的调节 

 

      近五年来一次水二级泵(或称分布变频水泵下同)循环水系统技术在全国各地的供热单位相继推广和应用,已获得了全国供热行业的普遍认同,当前正处在迅速推广和大发展的时期。尽管这项技术在一次网的水平衡调节、节能减排节省供热运行成本的同时大幅度地提升了供热质量和效果等方面具有优点,但是在各供热单位多年来的实践中也暴露出了一些有待研究和改进的问题,简述如下。

 

1.  分布变频泵投资偏大

      改造投资主要是由水泵、变频器和自动控制三部分组成,其中水泵比原传统的热源站内一次水循环大泵的总投资增加并不多,因为原热源站内传统的一次水循环水泵大多是几百千瓦的大泵,而一次水二级泵系统中的热源站内一次水一级循环水泵仅只有原大泵的2025%电机功率,原大泵需几十万元的投资可降为仅几万元的一级泵投资可省约3/5原大泵投资。而各换热站中增加的2台一次水二级泵都是小型水泵,每一个站的投资平均约2万元。按200M220个换热站的二级泵总投资也不过约40万元,若减去原传统一次水大泵的投资20万元,折合约0.2/M2,最多比原来多投资20万元即每站净增投资1万元。但是变频器和自控投资每个换热站平均在6万元以上,如果仍按20个换热站计算,总投资约在120万元,折合约0.6/每平米。是一级和二级泵总投资的2倍多。

 

2. 高次谐波的电污染和低频运行的后果

      众所周知水泵电机采用变频无极调节有节电的正面,但同时客观上也存在高次谐波对电网产生电污染的负面。另外由于所设置的各站二级泵的参数都是按最高热负荷计算并留一定富余量,而实际运行中供热负荷在整个供热时期的变化较大,其中较长时段处在中、小负荷运行,这一情形使得二级泵在较长的时段中实际调节频率大都在30Hz以下,甚至有的在20Hz以下,因为二级泵电机大多不是变频专用电机而只是普通电机,其技术标准规定降频不得低于36Hz,若过低对电机绝缘等损伤极大。同时由于二级泵调节频率过低,其降速也过大,这时水泵的实际工况效率随之大幅度降低约1020%,此时水泵电机的功率因素也极低,可见在这状况下,二级水泵在降频节电的同时也在浪费用电并污染电网和损伤电机本身。

 

3. 一次网“1+3”循环水泵的水循环系统

3.1一次网“1+3”循环水泵的水循环系统是与现有的一次网二级泵系统异曲同工的一次网二级泵系统,只是二级泵不采用变频器作无极调节。

3.2所谓一次网“1+3”循环水泵的含意为:1是指现有一级泵,3是指大、中、小三种二级泵。顾名思义就是由现有一级泵加三种不用变频器的二级泵组成的又一种新的一次网二级泵水循环系统。

3.3本文系统的一级泵与现有二级泵技术中的一级泵完全一样,而将现有二级泵技术中的各站一种二级泵由变频无级调节改成大、中、小三种二级泵按热负荷变化需求手动或自控分别实施大、中、小三档(三级)调节,实际效果不逊于现有二级泵,而综合性价比尚优于现有二级泵。

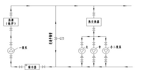
3.4运行机理和可行性(见图一)

3.4.1本文系统“1+3”中的一级泵的设计和选型与现有二级泵系统中的一级泵一致,按热源站内锅炉的额定水量和内网阻力设置一级泵,对其亦可适度进行变频调控或工频定量循环运行,参与锅炉按总热负荷的变化需求实施调节。

3.4.2本文系统“1+3”中的3种二级泵,由各换热站的热负荷的不同变化需求,即以各站中换热器二次水出口温度的设定标准作为温控点来实施手动或自动控制大、中、小三种二级泵其中一台的开启并同时另一台的关闭。按各自换热站的二次网的热负荷变化需求开启其中一台(大、中、小)二级泵以实现一次热源水的调节。

3.4.3由大、中、小二级泵按需实施的三档(三级)一次水的调节,虽没有现有变频二级泵无级调节那么精细和无台阶,但另由热源站在50405545供回水温差范围之间操控的无台阶调节,同样可获得各热用户的热负荷需求。

3.4.4热源一次水供回温差调范围在50405545,由热源站和一级泵的调控得以实现。而各换热站大、中、小二级泵的流量定位和对应的需用扬程定位,均按照以上二种品位和调范围确定的一次水的单耗(L/M2),分别以高寒地区为10.80.64和中寒地区为0.90.720.58各三种来计算、设置、选型各自相应水力性能的二级水泵。这大、中、小三种不同性能的二级水泵,实际上类似现有二级泵调频为:504032Hz三种频率下运行的水力性能。但是大、中、小三种水泵都是工频同步转速运行的定量水泵,其效率高、没有变频的自耗电能和电污染等,故综合效能好于采用变频的水泵。更无变频器和原有自控系统的投资,可使各换热站至少减少约4万元以上的投资,也就是在原有投资每平米0.6元可降为0.2元。故就可使整个二级泵系统的投资节省三分之二。

3.4.5从以上介绍可知大、中、小三种二级泵按两类地区分别为10.80.640.90.720.58的三档定量一次水设置,其可获对应的水泵扬程为:10.640.41和水泵电功率为10.50.26(见表一)也就是中泵是大泵0.8的流量、0.64的扬程和0.5的电功率。小泵是大泵0.64的流量、0.41的扬程和0.26的电功率。可见虽然没有采用变频无级调节那么精细和无台阶,但高次谐波的电污染没有了,低频运行对电机的损害消除了,而且泵的工作点可长期处在高效点运行,这对节电和确保设备可靠运行提供了安全保证。

 

4. 结束语

一次网“1+3”循环水泵的水循环系统,是实践中的新生事物,这种二级泵系统比分布变频泵系统投资可节省近2/3,且工艺简单、运行可靠、不设备用泵,值得同行们参考!如需帮助,我们将竭诚为你服务。

注:大、中、小三种二级泵均为工频运行,由现场或远程手动控制,亦可以各站热交换器的二次水出口温度为标准温控点实施自动控制按需分别开启或关闭大、中、小其中各一台水泵。

一次网“1+3”循环水泵的水循环系统示意图(图一)

不用变频器调节的大、中、小二级泵应用案(表一)

(以供12M2换热站为例)

 

一、在东北、内蒙、新疆等高寒地区:

序号

二级泵

一次水单耗(L/M2)

水泵性能参数及选型

热源一次水调控温差

与每平米可获热负荷

1

1

Q=120m3/hH=20mN=4-11KW

(100-80-280Q=120m3/hH=23m)

50-40

58.14-46.51W

55-45

63.95-52.33W

2

0.8

Q=96m3/hH=12.8mN=4-5.5KW

(100-80-235Q=80-120m3/hH=16-11.5m)

50-40

46.51-37.21W

55-45

51.16-41.86W

3

0.64

Q=76.8m3/hH=8.19mN=4-3KW

(100-80-169Q=75m3/hH=10m)

50-40

37.21-29.77W

55-45

40.93-33.49W

 

二、在北京、天津等中寒地区:

序号

二级泵

一次水单耗(L/M2)

水泵性能参数及选型

热源一次水调控温差

与每平米可获热负荷

1

0.9

Q=108m3/hH=16.2mN=4-7.5KW

(100-80-260Q=120m3/hH=16m)

50-40

52.33-41.86W

55-45

57.56-47.10W

2

0.72

Q=86.4m3/hH=10.37mN=4-4KW

(125-100-200Q=85m3/hH=12m)

50-40

41.86-33.49W

55-45

46.04-37.68W

3

0.58

Q=69.6m3/hH=6.73mN=4-2.2KW

(100-80-155Q=75m3/hH=7.5m)

50-40

33.72-26.98W

55-45

37.09-30.35W


上一条: 立式多级离心泵有哪几种机械密封形式
下一条: 2012新春发布低速混水泵系列4-55KW 4-75KW 4-90KW